|
Detalhes do produto:
|
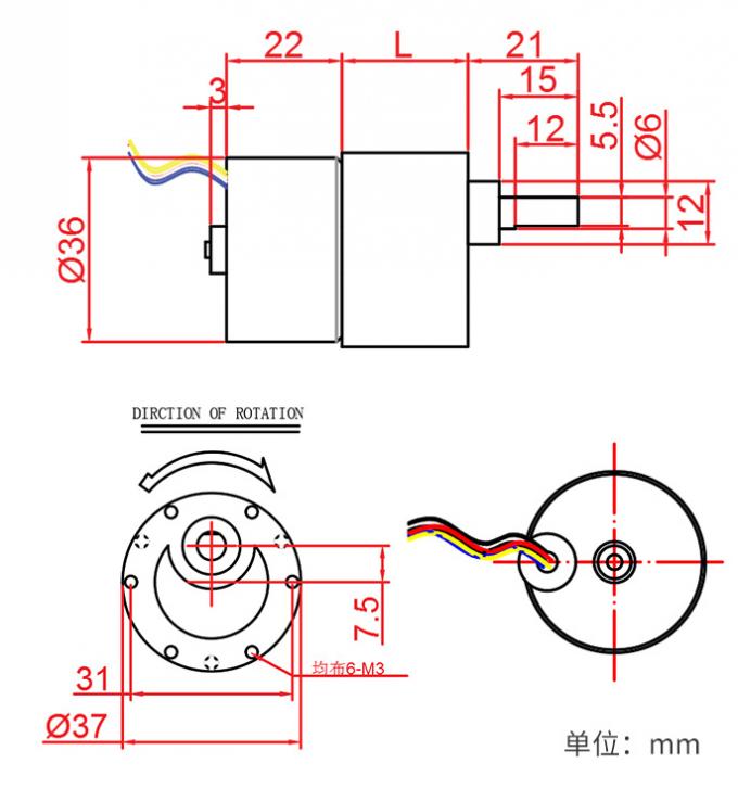
| Nome do produto: | JGB37-3625 | Aplicação: | Robô |
|---|---|---|---|
| Tipo de Motor: | Motor de redução sem escovas de CC | Palavras-chave: | Motor de redução sem escovas |
| Tensão Nominal: | 12/24V | Certificação: | CE ROHS |
| Potência: | 4W | Tamanho: | 37 mm |
| Diâmetro do eixo de saída: | 6 mm ((eixo D) | ruído: | ruído baixo |
| Descrição do Motor de Engrenagem DC Micro JGB37-520: |
Agora, você pode obter nosso motor de engrenagem DC de 37mm com encoder magnético (JGB37-520B), e outros motores de engrenagemde 37mm relacionados
| como os seguintes: | JGB37-520B | JGB37-3530 | Modelo |
| JGB37-3625 | JGB37-3650 | JGB37-545 | JGB37-550 |





Pessoa de Contato: Mrs. Maggie
Telefone: 15818723921
Fax: 86--29880839